相信很多朋友都遇到过以下问题,就是UG绘制回转体的详细操作过程。针对这个问题,今天小康教程小编就搜集了网上的相关信息,给大家做个UG绘制回转体的详细操作过程的解答。希望看完这个教程之后能够解决大家UG绘制回转体的详细操作过程的相关问题。
近日有一些小伙伴咨询小编关于UG如何绘制回转体呢?下面就为大家带来了在UG绘制回转体的详细操作过程,有需要的小伙伴可以来了解了解哦。
UG绘制回转体的详细操作过程
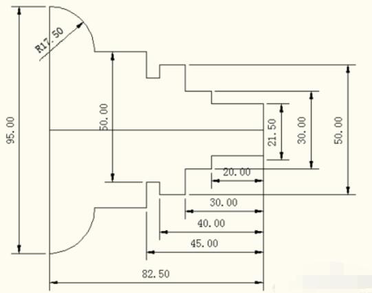
用回转体绘制如图的师体

打开UG软件,点击【新建】

输入名称和指定路径后单击【确定】

点击【插入】→【任务环境中草图】→【确认】


绘制图中上半部分

点击【完成草图】

点击图中的小三角形,选择【回转】

选择曲线


指定矢量

点击【确认】

完成

今日就快来学习本文UG绘制回转体的详细操作内容吧,相信在以后的使用中一定会得心应手的。